金刚石碳化硅复合材料是一种通过将金刚石与碳化硅(SiC/Sic陶瓷/碳化矽陶瓷)结合形成的先进功能材料。金刚石(金刚石碳化硅)以其极高的导热率、硬度和化学稳定性著称,而碳化硅(高纯碳化硅/超纯碳化硅陶瓷/半导体碳化硅)则具备优异的耐高温性和机械强度。
一、材料介绍
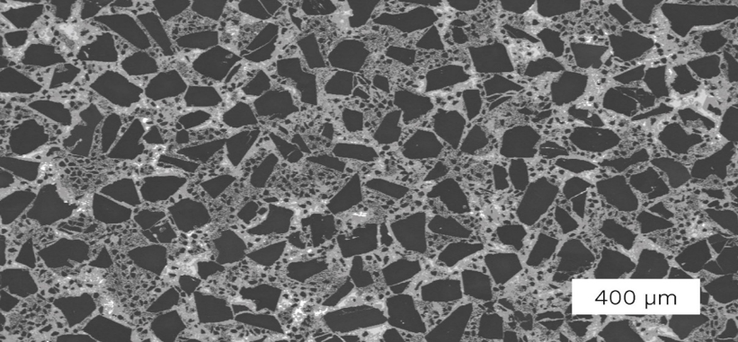
金刚石碳化硅复合材料是一种通过将金刚石与碳化硅(SiC/Sic陶瓷/碳化矽陶瓷)结合形成的先进功能材料。金刚石(金刚石碳化硅)以其极高的导热率、硬度和化学稳定性著称,而碳化硅(高纯碳化硅/超纯碳化硅陶瓷/半导体碳化硅)则具备优异的耐高温性和机械强度。两者的结合实现了性能的协同增强,尤其在热管理和机械支撑方面表现突出。这一复合材料通过反应烧结碳化硅、无压烧结碳化硅制品、热压烧结碳化硅陶瓷、液相渗硅法、高温高压烧结等工艺制备,确保了金刚石在高温下的稳定性,避免了石墨化问题。


二、性能与参数
该复合材料的核心优势在于其卓越的物理和化学特性:
导热性能:导热系数高达500-800W/mK,是铜的两倍,能高效传递热量,适用于高功率电子设备的散热需求,如碳化硅导热板、碳化硅陶瓷散热片、碳化硅陶瓷基板(类似氮化矽的陶瓷基板应用)。
热膨胀匹配:热膨胀系数(CTE)为2.6ppm/K,与硅材料完美匹配,减少了热应力导致的器件失效风险。
机械强度:兼具高硬度和高模量,耐磨性优异,适用于极端工况,可制成碳化硅陶瓷轴套、碳化硅陶瓷轴承、碳化硅陶瓷衬套、碳化硅陶瓷结构件、碳化硅陶瓷块、碳化硅陶瓷棒、碳化硅陶瓷板/板材、碳化硅陶瓷片、碳化硅陶瓷环(如4N碳化硅陶瓷环)、碳化硅陶瓷密封圈、碳化硅陶瓷喷嘴、碳化硅陶瓷制品等。
电绝缘与防静电:绝缘电阻高、介电常数低,并可实现防静电碳化硅陶瓷特性,是新一代电路基板和电子元件的理想选择。
耐温性与耐腐蚀:在高温和腐蚀环境下保持稳定,抗氧化和抗热震性能突出,适用于碳化硅炉管、碳化硅保护管、碳化硅反应烧结部件、碳化硅内衬筒、碳化硅研磨内衬筒、碳化硅换热管/热交热管、碳化硅封头、碳化硅管板、碳化硅支座等。
三、主要用途
金刚石碳化硅复合材料在多个高科技领域展现出广泛应用潜力:
半导体制造:用于半导体碳化硅舟、高纯碳化硅晶舟/悬臂桨/悬梁桨、高纯碳化硅陶瓷盘、高纯碳化硅炉管,以及CMP工艺用碳化硅载盘、ICP工艺用碳化硅载盘、PVD工艺用碳化硅载盘、RTA工艺用碳化硅载盘等工艺部件。
电子封装与散热:用于AI芯片、高性能计算系统的散热模块,如碳化硅加热板、碳化硅陶瓷坩埚,可显著降低数据中心冷却能耗,提升芯片寿命和可靠性。
工业与能源:应用于反应烧结碳化硅板/方梁/辊棒、碳化硅辊棒、氮化硅对辊、碳化硅陶瓷泵件、碳化硅陶瓷管、陶瓷材料硅碳棒等,服务于碳化硅陶瓷厂/生产厂/厂家/公司/加工厂家的定制需求(如碳化硅陶瓷泵件定做加工厂家、碳化硅陶瓷管生产厂家、碳化硅陶瓷加工生产厂家)。
新能源汽车与航空航天:制造高温部件和热防护结构,承受极端温度与机械负荷,如碳化硅陶瓷制品厂家提供的专用部件。
精密工具与耐磨部件:制作高性能磨具、钻头、锯片及碳化硅陶瓷轴套、碳化硅陶瓷轴承等,适用于精密加工和耐磨场景。